Онлайн с 2006 года – Проверенное качество
Более 100 000 товаров – Широкий ассортимент
Доставка с собственного склада – Быстрая отправка
Бесплатная доставка от 8000 ₴

Фоторамка effect из дерева, антиксеребро, 18x27 см, музеевое стекло

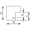
Профиль из массивной древесины, антиксеребряная фольга, музеевое стекло, защита от УФ-излучения, крепление на стену, размер 18x27 см, ширина планок 1,6 см
Цвет 
Тип Стекла 
Размер Рамы Картины 

2251,51 ₴
Вкл. 0% НДС , плюс стоимость доставки
Часто искали и нашли