Онлайн с 2006 года – Проверенное качество
Более 100 000 товаров – Широкий ассортимент
Доставка с собственного склада – Быстрая отправка
Бесплатная доставка от 8000 ₴

Фоторамка Effect из ольхи 18x27 см с музеевским стеклом

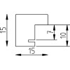
Фоторамка из массивной ольхи, квадратный профиль с скругленными углами, планка 1,5 см, музеевское стекло с 70% защитой от УФ, для настенного монтажа, подходит для фотографий и картин, современный минималистичный дизайн, долговечная натуральная фурнитура
Тип стекла 
Размер 

2463,19 ₴
Вкл. 0% НДС , плюс стоимость доставки