Онлайн с 2006 года – Проверенное качество
Более 100 000 товаров – Широкий ассортимент
Доставка с собственного склада – Быстрая отправка
Бесплатная доставка от 8000 ₴

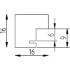
Фоторамка effect дерево антик-серебро 13x13 см с музейным стеклом

Квадратная рамка из массивного дерева, эффект антик-серебро, музейное стекло, защита от УФ-излучения на 70%, подходит для подвешивания и настенного крепления, размер 13x13 см
Цвет 
Тип Стекла 
Размер Рамы Картины 

1452,96 ₴
Вкл. 0% НДС , плюс стоимость доставки
Часто искали и нашли