Онлайн с 2006 года – Проверенное качество
Более 100 000 товаров – Широкий ассортимент
Доставка с собственного склада – Быстрая отправка
Бесплатная доставка от 8000 ₴

Фоторамка Effect из дерева, антик-серебро, 21x29,7 см, музея стекло

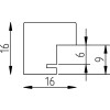
Деревянный профиль 51 мм, антик-серебро, музе́йное стекло, защита от УФ-излучения, подходит для DIN A4, закругленные края, элегантный современный стиль
Цвет 
Тип Стекла 
Размер Рамы Картины 

2342,29 ₴
Вкл. 0% НДС , плюс стоимость доставки
Часто искали и нашли