Онлайн с 2006 года – Проверенное качество
Более 100 000 товаров – Широкий ассортимент
Доставка с собственного склада – Быстрая отправка
Бесплатная доставка от 8000 ₴

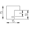
Фоторамка Effect из дерева Profil 70 дуб 40x50 см, музейное стекло

Деревянная фоторамка, дубовый шпон, профиль 70, ширина 1,5 см, музейное стекло, защита от ультрафиолета 70%, формат 40x50 см, современный дизайн, идеальна для настенного монтажа
Тип стекла 
Размер 

6022,67 ₴
Вкл. 0% НДС , плюс стоимость доставки