Онлайн с 2006 года – Проверенное качество
Более 100 000 товаров – Широкий ассортимент
Доставка с собственного склада – Быстрая отправка
Бесплатная доставка от 8000 ₴

Фоторамка effect из дерева профиль 58 белая с музеем стеклом

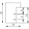
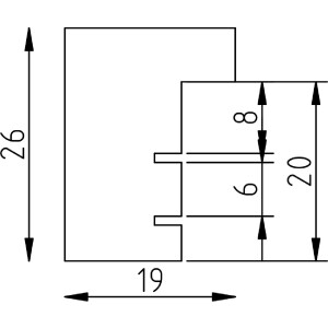
Массивная деревянная рамка, глубокий блочный профиль 1,9 см, шестикратно лакированная с текстурой, музея стекло с УФ-защитой 70%, формат DIN A6, подставка для настенного или столешечного крепления
Цвет 
Тип Стекла 
Размер Рамы Картины 

1561,38 ₴
Вкл. 0% НДС , плюс стоимость доставки