Онлайн с 2006 года – Проверенное качество
Более 100 000 товаров – Широкий ассортимент
Доставка с собственного склада – Быстрая отправка
Бесплатная доставка от 8000 ₴

Фоторамка Effect деревянная профиль 58 серебристая 70x100 см с музеевским стеклом

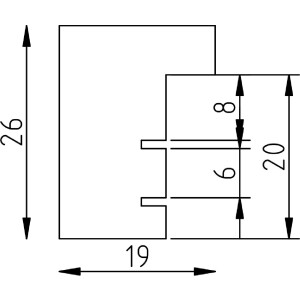
Деревянная массивная рама, глубокий блочный профиль 1,9 см, фольгированная поверхность, музеевское стекло с защитой от УФ-лучей, под картину 70x100 см
Цвет 
Тип Стекла 
Размер Рамы Картины 

15976,55 ₴
Вкл. 0% НДС , плюс стоимость доставки
Часто искали и нашли