Онлайн з 2006 року – Перевірена якість
Понад 100 000 товарів – Широкий асортимент
Доставка з власного складу – Швидка відправка
Безкоштовна доставка від 8000 ₴

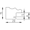
Ефектна дерев'яна рама профіль 2070 музейне скло 25x70 см чорний

Елегантна ліпнина з масиву дерева із закритою поверхнею, дерев'яна рама з музейним склом
колір 
Тип скла 
Формат кадру 

4314,72 ₴
Вкл. 0% ПДВ , плюс Витрати на доставку